✦ 宏更新的那点儿小秘密 ✦
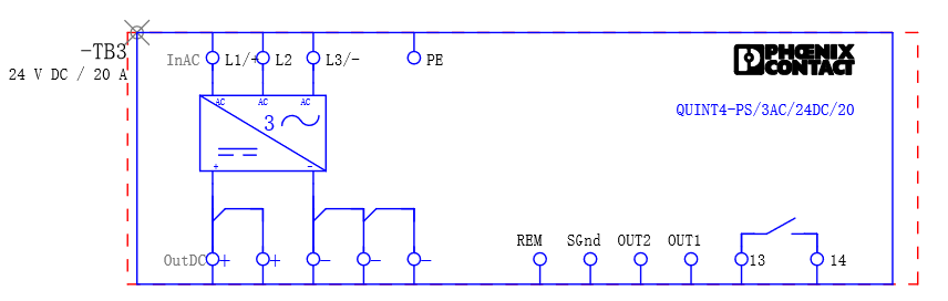
理解难度:★★☆☆☆ 操作难度:★☆☆☆☆ 工作效率提升:★★★★☆ 现代人生活讲求通达,工作讲求底层逻辑。掌握EPLAN设计项目的理念,小则简便偷懒,大则改善效率与流程。这条底层逻辑已经逐渐成为众多“攻城狮”窥得的门道。今天我们就来谈谈更新EPLAN宏时出现的异常现象,探索其中的奥秘。 现象思考 常见现象一:无法修正填写错误的连接点代号 原理图回路中已插入使用宏“PXC.2904622”(带宏边框),项目提交检查后发现有1个连接点代号填写有误,如下图所示 工程师修正了原始宏文件,并使用 “更新宏”功能一键性更新项目中所有该元件使用之处。发现连接点代号Test无法变更为REM。 宏文件: 更新后: 常见现象二:引脚顺序被打乱 为了让图纸阅读效果更加清晰,工程师将部分连接点整体向右侧平移2个C栅格距离,又调整了部分引脚间距,更新后发现连接点排列顺序发生了变化。 更新前:引脚顺序Test、SGnd、OUT2、OUT1、13、14 宏文件:仅移动连接点位置,扩大黑盒尺寸,不修改其它任何逻辑、属性。 更新后:SGnd、OUT2、OUT1、Test、14、13 软件功能失灵了?看到这里,知情的老司机可能已经会心一笑,明白问题所在。 出错原因思考提示:右击原理图中需要被更新的宏边框,点击更新宏,打开【设置:更新宏】。大家可以来猜一猜出错原因,再往下看揭秘。 哪些宏可以更新? 首先确定宏的类型,哪些可以更新。宏的使用类型分为“已定义、未定义、仅参考、仅从属”四大类。“仅参考、仅从属”2个类别可以在宏导航器中或图纸中选中,右键更新。 EPLAN帮助文档详细解释参考: 如何准确更新? 1. 默认更新规则(什么都不勾选) 1) 更新时根据设备的“功能定义”确定,识别已有功能和需要新增的功能,将新增的功能插入到被更新的宏中。 2) 在更新时会将宏文件中的图形信息(格式化、属性排列等)传输至被更新的宏; 3) 逻辑信息不会被传输,如连接点代号。 在这一情况下,我们也就看到了现象一,Test连接点代号不更新。如果增加一个设备连接点,那么被更新的宏上则会增加该功能,感兴趣的伙伴可以尝试更新。 【推荐应用场景】:功能逻辑不变化,仅调整位置排布、格式、属性排列等。 2. 优先以图形方式进行分配 更新原则:识别被更新的宏中所有功能(如“设备连接点”)的放置坐标,功能一致则保留原位置功能所有信息。如果在宏中的相同位置上没有元件,则使用图形上具有适合的功能定义的下一个元件。 这里也就可以解释现象二的出现,原本7C的距离为“设备连接点SGnd”,更新后7C的位置功能上依旧为设备连接点,保持原有属性,如连接点代号SGnd。 更新前: 更新后: 【推荐应用场景】:使用此操作来在宏中的一个位置上将一个元件更换为具有其它功能定义的一个元件(例如将端子更换为插头)。设备标识符保留不变。如果在宏中的相同位置上没有元件,则使用图形上具有适合的功能定义的下一个元件。 3. 仅保留设备标识符 更新原则:除了设备标识符和中断点,图形、逻辑等其它信息全部更新。 已插入的宏中进行更新时,也会传输宏文件中的已更改的逻辑信息(连接点代号、已修改的符号、已分配的部件)。 【推荐应用场景】:更新图形信息(格式化、属性排列等)、逻辑信息(连接点代号、功能文本、已修改的符号、已分配的部件)比较多,建议激活此复选框。 4. 重新分配值集 更新宏时在大多数情况下,占位符对象的已分配值集保留在已插入的宏上。如果不是这种情况(例如因为宏包含一个发生很大变化的结构或多个占位符对象),则激活此复选框。由此会在更新时将项目中上一次选择的值集重新分配给已插入的宏。 【2023新功能强势来袭】 1. 单个宏包含IEC、GB等多个标准表达,预留企业标准“席位”。 2. 插入中心快速调取使用过的宏文件,所见即所得,收藏更效率。 更多应用场景或感兴趣的主题留言区等你。Let’s EPLAN!






解析:宏的小秘密





Copyright©2002-2019 普修斯科技(上海)有限公司 版权所有 Powered by RRZCMS 备案号: