基于EPLAN Pro Panel的水电电气柜
三维数字布线设计
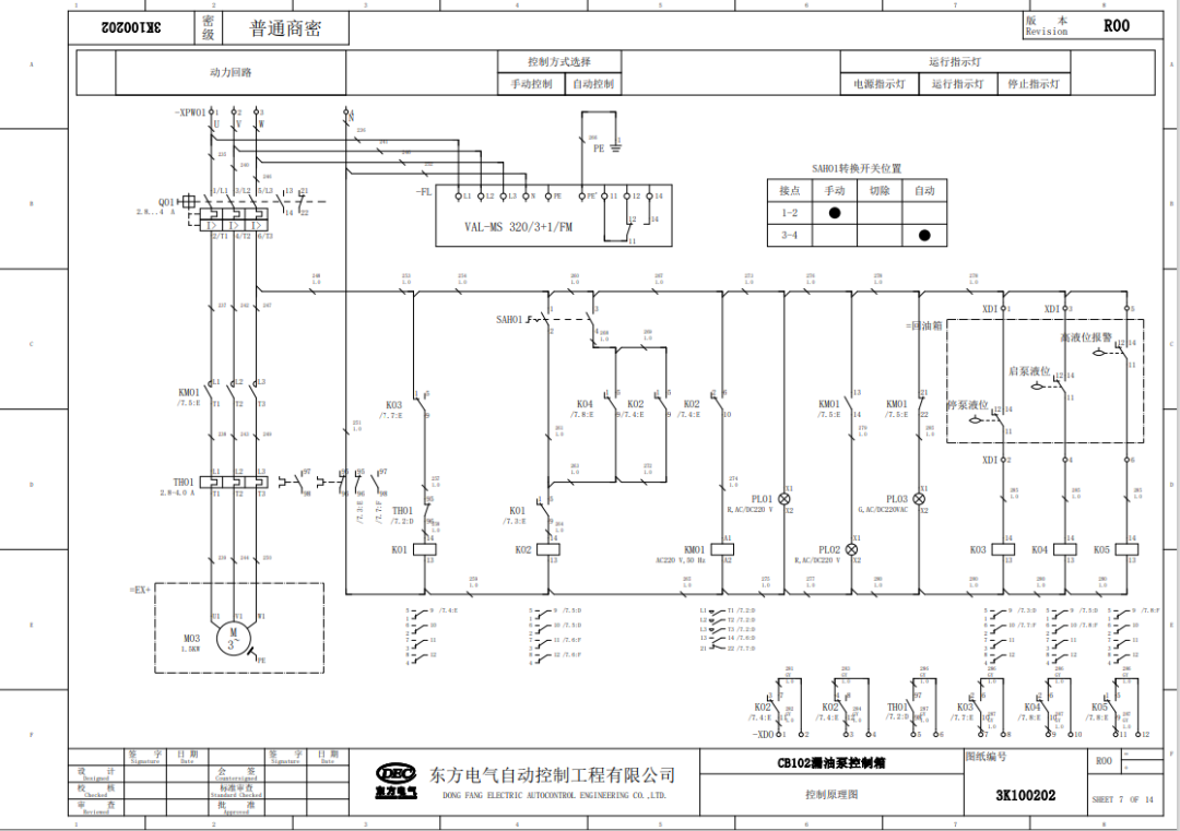
(东方电气集团自动控制工程有限公司,四川省 德阳市 618000) 作者:邓芳辉 公司:东方电气集团自动控制工程有限公司 转载自:中国水力发电工程学会继电保护与励磁专业委员会2021年年会论文集.Ed.. , 2021, 181-187. 【摘要】本文结合当今发电设备中电气控制柜制造过程中提出的更高工艺要求,从传统水电电气屏柜布线工艺的设计方法以及生产现状出发,讲述如何通过EPLAN Pro Panel三维设计软件进行柜内三维数字化空间的布线设计,利用制作报表文件指导生产,***终达到优化水电电气屏柜布线工艺的目的。 【关键词】EPLAN Pro Panel;柜内布线设计;三维数字化设计;报表文件 引言 1 布线工艺现状分析 2 基于EPLAN Pro Panel的布线设计 2.1 EPLAN Pro Panel简介 EPLAN Pro Panel是一款CAE工程软件,该软件主要面向的对象是控制柜、开关柜的三维设计。该软件运用领域广泛,在盘柜制造、楼宇自动化技术、电气工程、流体动力工程、汽车工业等领域都有所涉及[3-4]。 EPLAN Pro Panel不仅将电气工程设计数据与三维控制柜的设计数据关联起来,还将生产与装配的流程融合在一起,这样就形成一个统一的平台、统一的数据,极大的提升产品的统一性,并加速整个工程流程。该软件具有强大的电气或流体控制箱柜内的三维布局设计和虚拟的三维布线功能能够很大程度上提升布线工艺水平。 2.2N EPLAN Pro Panel三维数字布线流 利用EPLAN Pro Panel进行三维数字化布线工艺,不仅***解决了传统布线工艺的诸多缺点,还在生产效率、布线调整灵活度、统一性等方面相比传统布线具有更大的优势。 通常利用EPLAN Pro Panel完成一个柜内布线设计所需要5步,如图1所示。 图1 柜内布线设计流程图 通过EPLAN Electric P8可实现电气控制原理图的绘制。该软件模块能够运用宏值集/宏变量、占位符、自动连线等功能快速准确的完成图纸绘制。在完成原理图绘制的同时还能够利用部件库对元件进行选型并自动生成关联参考,通过电位或者连接定义对连接电缆进行线径以及颜色进行设置,为生成三维布线以及生产接线提供关联数据,例如完成好的漏油泵控制箱的控制原理图如图2所示。 图2 漏油泵控制箱控制原理图 在进行三维布局之前,需要根据部件选型信息准备相应的部件数据。利用EPLAN Pro Panel软件中的Data Portal可以轻松完成部件数据的调用,这些部件数据包含商业数据、技术数据、生产数据、模型数据等。更加重要的是这些部件数据可以通过数据库的形式跨平台跨区域进行编辑和共享,实现数据的互通互联,减少设计重复工作并提高设计的统一性、准确性。 在进行三维部件布局时,利用EPLAN Pro Panel提供的布局功能完成对部件点、线、面的配合。该软件的三维布局数据跟原理图的设备信息是相互关联的,如设备的标识符信息、数量信息、接点信息等,即可快速实现部件的***布置,又可以跟随原理图的变化实现布局的灵活变动,***终准确统一的完成箱柜内的三维布置,如图3所示。 图3 漏油泵控制箱三维布置图 三维数字化布线的基础是数据来源于控制原理图中的线径大小、颜色以及部件接点代号。通常一个相对复杂的电气控制柜会有几百上千根,EPLAN Pro Panel可通过电位的设定,快速完成该电位流向的线径大小以及颜色,也可根据实际部件的线径设置数据来自动调整线径大小。通过项目数据中的连接数据可对线径实现人工调整,如图4所示。 图4 漏油泵控制箱接线电缆信息 完成连接电缆进行线径和颜色的设定后可对连接电缆进行布线路径网络规划。在进行路径网络规划时,线槽将被自动赋予布线路径,通过手动添加布线路径可以将多个或单个区域连接起来,例如门和安装版,以实现整个布线的连通性,如图5所示为布线路径视图下的三维模型。 图5 布线路径视图下的三维模型 在布线路径上进行设备三维数字布线,布线完成后可进行手动优化网络或者自动优化网络,通过EPLAN Pro Panel优化网络后可将所有连接点继续连接,并能使待布线的总长度***短。该软件在进行三维布线网络优化的同时,还能够自动更改原理图中的连接点方向,生成一个自动优化网络结果预览,如图6所示为网络优化后的漏油泵控制箱三维布线。 图6 漏油泵控制箱三维布线 利用EPLAN Pro Panel完成三维数字布线后还能够自动生成直接用于指导生产的报表,报表包含了连接电缆线号、电线电缆长度、颜色、线径大小、布线网路路径等数据,如图7所示漏油泵控制箱连接列表。 图7 漏油泵控制箱接线列表 3 结论与展望 通过研究利用该软件对水电控制设备电气柜进行布线工艺设计发现,使用EPLAN Pro Panel进行布线工艺设计具有传统布线工艺无法比拟的优势,其优势主要体现在以下几个方面: (1)利用数字模型可有效降低模型制作成本,省去模型制作工艺流程且不占用生产资源。EPLAN Pro Panel相比其他模型软件,可直接调用Data Portal数据,有效提高建模效率; (2)数字三维模型上进行布线不受空间限制,修改更换灵活,能有效避免材料浪费和设备更换过程中造成损坏; (3)输出报表能够直接指导生产且数据回查方便快捷,例如报表中的长度可有效避免生产耗材的浪费,布线网路路径可规范布线路径,减少人为操作带来的随意性,提高产品的统一性。连接报表可按颜色及功能分类,以便生产布线按颜色捆扎,有利于提高产品的美观性。 (4)该软件操作简便,易上手,且设计流程逻辑清晰明了,无需要大量的学习便能熟练掌握和使用。 EPLAN Pro Panel还能够与外部生产设备实现数据交互,例如线号机、便签打印机、机械加工软件等。也可将EPLAN Pro Panel的布线数据直接导给Rittal 自动下线设备,加速导线制备过程。同时,利用EPLAN Smart Wiring,实现智能化接线,从而提高生产的标准化和降低配电柜生产周期以及对生产工人的依赖。通过借助高效的设计平台以及智能化的生产设备将有助于提高我国水电设备制造走向自动化、智能化,助推2025中国智能制造在水电制造行业的发展。 参考文献: [1] 水电水利规划设计总院 . 2017 年中国可再生能源发展报告[M]. 北京 :中国电力出版社,2018. [2] 高中来,于帅.某机电设备整机的布线工艺优化[J].电子世界,2019(17):62-63. [3] 潘丽珍.EPLAN在矿用挖掘机电气设计中的应用[J].机械工程与自动化,2014(06):214-215. [4] 尉建龙,马兵,范喜斌.EPLAN软件在排土机电气设计中的应用[J].机械工程与自动化,2015(06):190-191. 作者简介: 邓芳辉(1985— ),男,四川,硕士,工程师,水电设备制造设计。东方电气集团自动控制工程有限公司、四川省德阳市嘉陵江西路138号、618000、0838-2659919、13689662009、316530773@qq.com
(1)控制原理图绘制

(2)部件库准备
(3)三维部件布局

(4)三维数字化布线



(5)生产报表生成

Copyright©2002-2019 普修斯科技(上海)有限公司 版权所有 Powered by RRZCMS 备案号: